Внутренний бак бойлера изготовлен из нержавеющей стали, работает с принудительной циркуляцией теплоносителя при подключении к системе отопления. Внутри бойлера имеется один теплообменник — змеевик. теплообменник накопительного бойлера подключается к системе отопления. Нагретый теплоноситель, двигаясь по первичному теплообменнику, нагревает воду для хозяйственных нужд.
Конструкция теплообменников гарантирует высокую производительность оборудования и быстрый нагрев воды системы ГВС, отвечающей всем санитарным нормам. Для дополнительной защиты от коррозии в конструкции бойлера предусмотрено использование магниевого анода.
Устанавливается только на пол, для настенного монтажа не подходит.
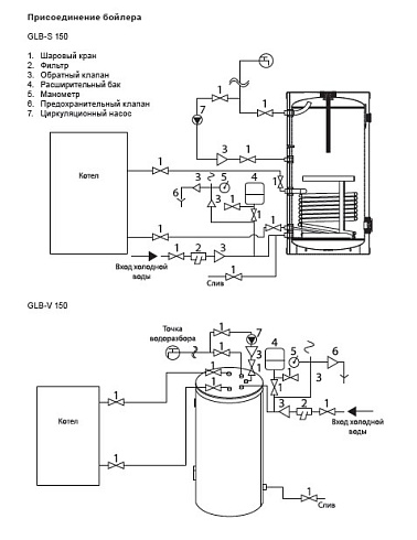
В комплект поставки входит предохранительный клапан, давление срабатывания 7 бар.
Бойлер GLB - S 150 из нержавеющей стали с боковым подключением
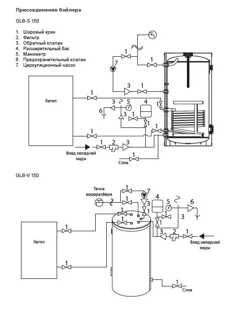
Бойлер GLB - V 150 из нержавеющей стали с верхним подключением
Подробнее
Получить коммерческое предложение
Документация
- 3D_Бойлер 150л GLB-S
- Бойлер GLB - V 150 , S - 150 из нержавеющей стали_Руководство по монтажу и эксплуатации май 2025
- Каталог продукции GEFFEN 2024_
Характеристики
| Вес, кг | 31.5 |
| Высота, мм | 1055 |
| Артикул | 05040153 |
| Магниевый анод | да |
| Мощность ТО (Тподачи=90 °С/Тобратки=70 °С), кВт | 30 |
| Объем бака с теплообменником, л | 150 |
| Постоянная производительность горячей воды ТО при ΔT 35 ºС, л/час | 737 |
| Рабочее давление, бар | 6 |
| Максимальная температура нагреваемой воды, °C | 90 |
| Диаметр, мм | 520 |
Описание
- Комментарии
Загрузка комментариев...
